G3 Pro振镜
产品信息
典范应用
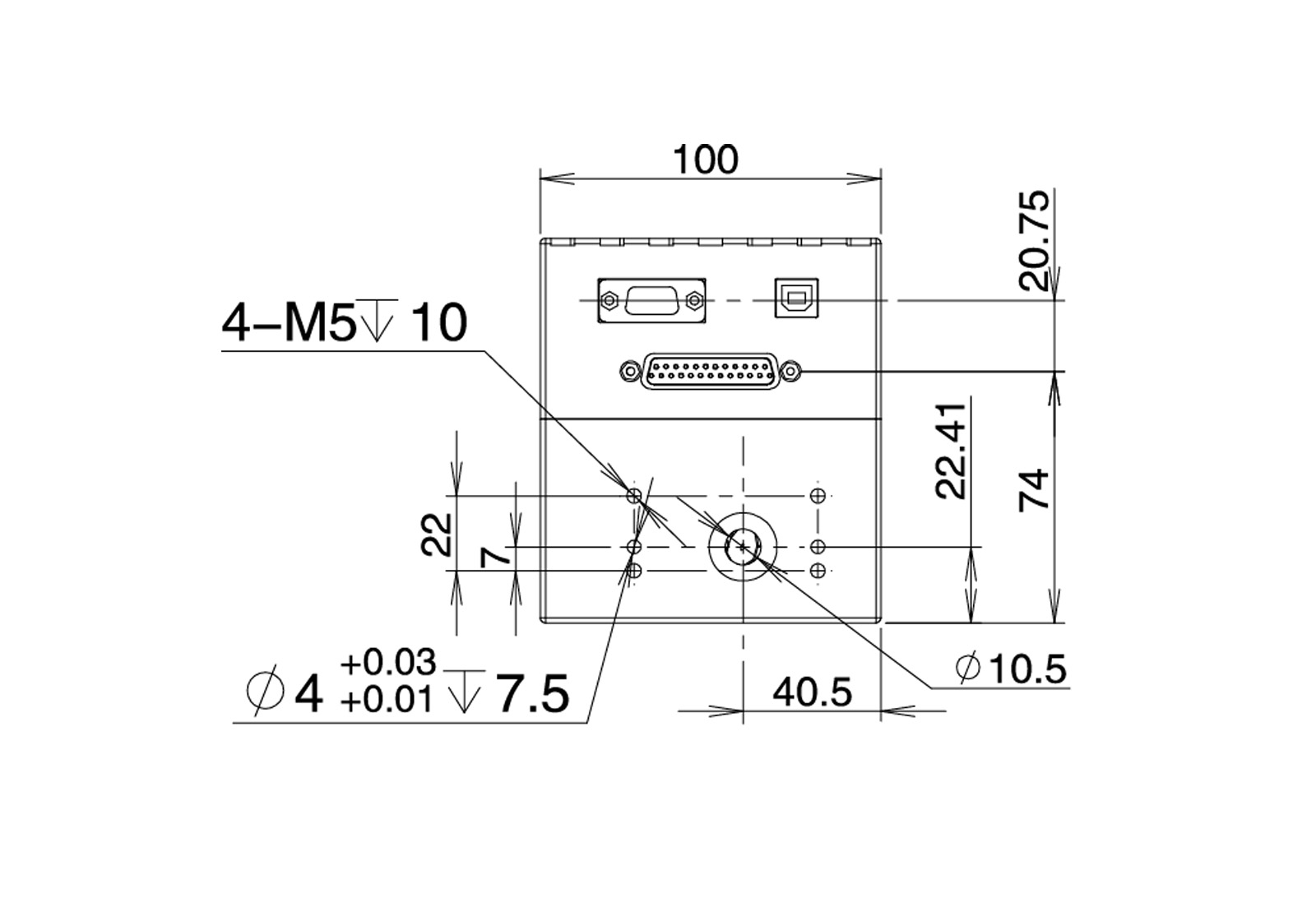
主要配置
- 标刻速度:4000mm/s
- 定位速度:10000mm/s
- 跟踪误差:0.25ms
- 非线性度:<3.5mrad/44°
- 重复精度:<8μrad
- 1%全行程:≤0.4ms
- 增益漂移:<50ppm/K
- 零位漂移:<15μrad/K
- 8小时漂移:<0.3mrad
- 扫描角度:±0.35rad
- 镜片光斑:10mm
- 通讯协议:XY2-100
- 供电电源:±15V DC,3A
- 重量:2200g
- 事情温度:25±10℃
- 存储温度:-10~+60℃
- 波长:10600nm、1064nm、532nm、355nm
典范应用
G3 Pro振镜可用于3C电子、医疗器械、五金工具、汽车、家用电器等。





上一个
G3 Pro-DLC振镜
下一个
G3 Pro-V振镜
联系来利国际w66
全国统一效劳热线
微信民众号
抖音企业号
效劳支持
来利国际w66
地点:北京市顺义区北务镇民泰路13号院22号楼
苏州来利国际w66激光技术有限公司
地点:江苏省苏州市虎丘区科技城漓江路56号3楼
广东来利国际w66科技有限公司
地点:广东省东莞市寮步镇仁居路1号松湖智谷研发中心A4栋1002室
来利国际w66武汉分公司
地点:湖北省武汉市东湖高新区大学园路华工科技园现代效劳业基地1号楼B座1101
版权所有 ? 2022 来利国际w66 京ICP备18045191号-1
网站建设:中企动力 北京