G3 Ult II振镜
产品信息
典范应用
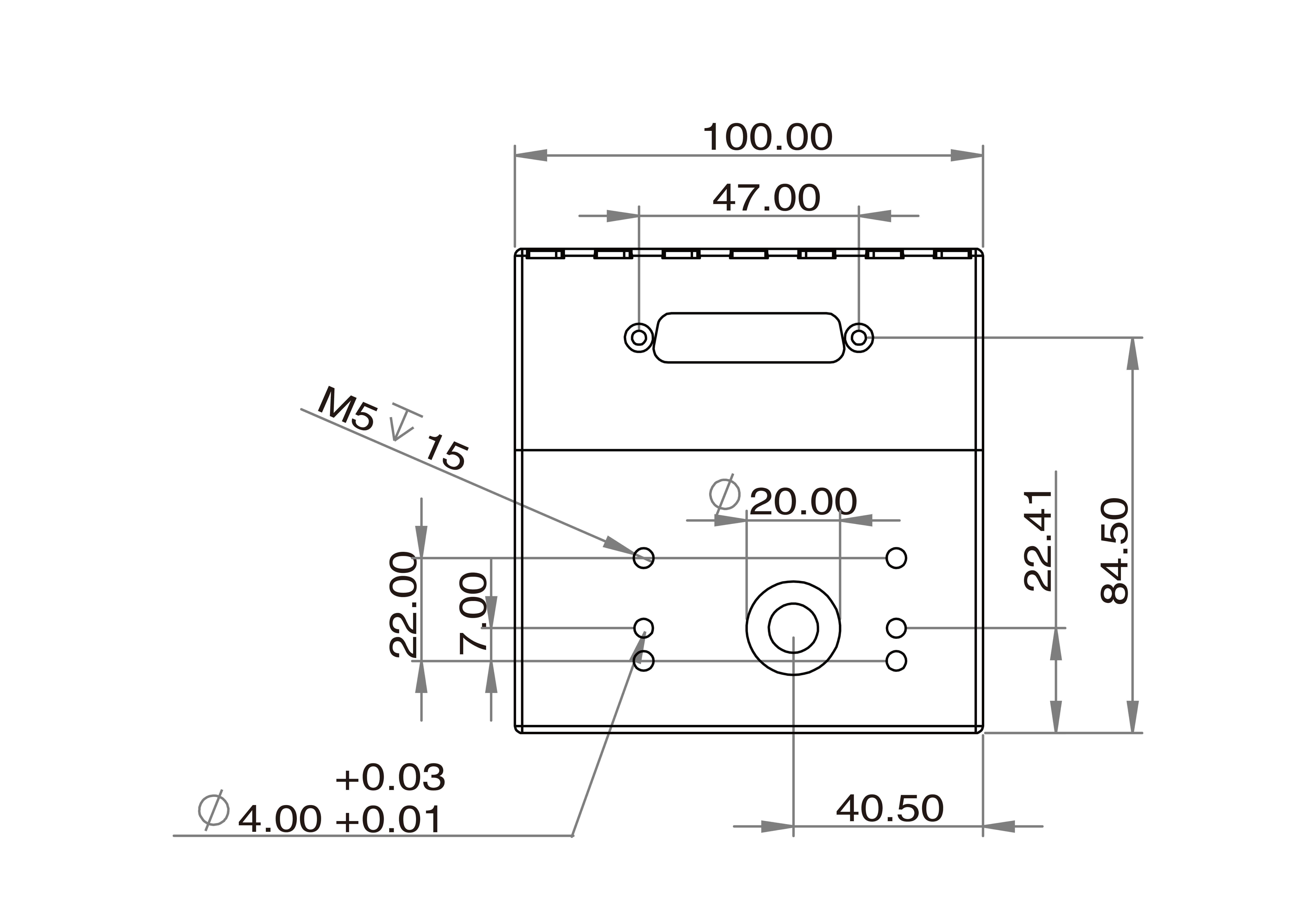
主要配置
|
主要配置 |
|||
|
参数 |
型号 |
||
|
G3 Ult II |
|||
|
振镜参数 |
入射光斑 |
10mm |
|
|
追随误差 |
0.11ms |
||
|
标刻速度 |
8000mm/s |
||
|
定位速度 |
15000mm/s |
||
|
1%全行程 |
0.26ms |
||
|
10%全行程 |
0.62ms |
||
|
重复精度 |
< 2µrad |
||
|
增益漂移 |
< 100ppm/K |
||
|
零位漂移 |
< 25µrad/K |
||
|
8小时漂移 |
< 0.1mrad |
||
|
非线性度 |
< 0.4% |
||
| 扫描角度 |
±0.35rad |
||
|
信号波长 |
通讯协议 |
XY2-100 |
|
|
波长 |
10600nm、1064nm、532nm、 355nm |
||
|
供电参数 |
供电电源 |
±15V DC,5A |
|
|
基本参数 |
重量 |
2100g |
|
|
事情温度 |
25±10℃ |
||
典范应用
G3 Ult II振镜可用于半导体、极耳切割、印刷电路板、脆性质料切割、金属微孔等。





*注: 部分图源网络,如有侵权,请见告删除
联系来利国际w66
全国统一效劳热线
微信民众号
抖音企业号
效劳支持
来利国际w66
地点:北京市顺义区北务镇民泰路13号院22号楼
苏州来利国际w66激光技术有限公司
地点:江苏省苏州市虎丘区科技城漓江路56号3楼
广东来利国际w66科技有限公司
地点:广东省东莞市寮步镇仁居路1号松湖智谷研发中心A4栋1002室
来利国际w66武汉分公司
地点:湖北省武汉市东湖高新区大学园路华工科技园现代效劳业基地1号楼B座1101
版权所有 ? 2022 来利国际w66 京ICP备18045191号-1
网站建设:中企动力 北京